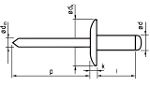
Blindklinknagel Groot/Platbolkop Aluminium/Staal

Blindklinknagel Groot/Platbolkop Aluminium/Staal

Tik op afbeelding om te zoomen

Omschrijving

Blindklinknagel Groot/Platbolkop Aluminium/Staal

Norm

  • DIN 7337

Specificaties

Specificaties bevestigingsmiddelen

Materiaal
Aluminium/Staal
DIN
7337
Gas- / waterdicht
Nee
Kopsoort
Grote Platbolkop
Materiaal oppervlakte
Blank

Varianten

Lijntekening Line_drawing_201.eps
Filters
    Sorteervolgorde

      Pinch afbeelding om te zoomen